Technische tekeningen voor Luuko Roman 125cc wit
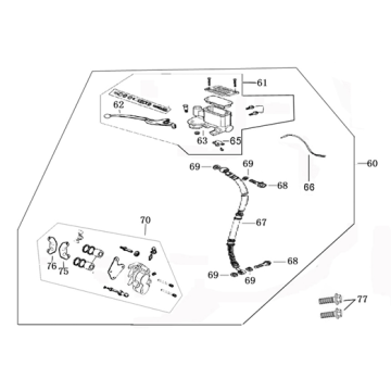
Klik hier op de technische tekeningen of te wel exploded view van de Luuko Roman 125cc wit scooter waar u onderdelen of accessoires voor zoekt. De technische tekeningen van de Luuko Roman 125cc wit geven u een duidelijk overzicht van de verschillende passende onderdelen en accessoires. Door zo uw onderdelen te zoeken, heeft u altijd passende onderdelen voor uw Luuko Roman 125cc wit.


