Technische tekeningen voor Luuko Roman rood
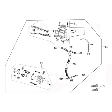
Klik hier op de technische tekeningen of te wel exploded view van de Luuko Roman rood scooter waar u onderdelen of accessoires voor zoekt. De technische tekeningen van de Luuko Roman rood geven u een duidelijk overzicht van de verschillende passende onderdelen en accessoires. Door zo uw onderdelen te zoeken, heeft u altijd passende onderdelen voor uw Luuko Roman rood.


