Peugeot Django 125 EFI E4 2018–2020 ORANGE IS THE NEW BLACK (U1) onderdelen
De Peugeot Django 125 EFI E4 ORANGE IS THE NEW BLACK (U1) is de meest opvallende uitvoering binnen de Django-serie. De unieke oranje kleur met zwarte accenten zorgt voor een sportieve en eigentijdse uitstraling, terwijl de moderne 125 cc EFI-injectiemotor krachtige maar zuinige prestaties levert volgens de Euro 4 norm. Deze uitvoering combineert Franse flair met praktische betrouwbaarheid.
Bij Zandri vind je een uitgebreid assortiment originele en vervangende onderdelen voor de Peugeot Django 125 EFI E4 ORANGE IS THE NEW BLACK (U1). Daarnaast kun je jouw scooter uitbreiden met diverse accessoires zoals windschermen, spiegels, koffers en valbeugels om zowel de look als het comfort te verbeteren.
Veel bestelde Peugeot Django 125 EFI E4 ORANGE IS THE NEW BLACK (U1) onderdelen bij Zandri
- Beplatingsdelen
- Remblokken / remsysteem
- Variateur / aandrijving / overbrenging
- Accu’s / elektrische delen
- Banden
- Olie- en brandstoffilters
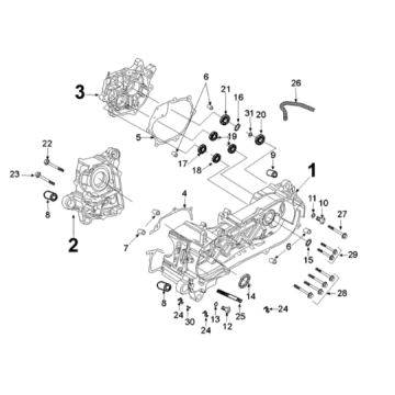
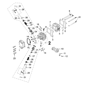
Of je nu onderhoud uitvoert of een onderdeel wilt vervangen, bij Zandri bestel je eenvoudig alles wat je nodig hebt. Dankzij de duidelijke technische tekeningen en snelle levering houd je jouw Peugeot Django 125 EFI E4 ORANGE IS THE NEW BLACK (U1) altijd in topconditie.
Waarom onderdelen bestellen bij Zandri?
- Snelle levering – levertijd 1–3 werkdagen
- Veel op voorraad – originele, vervangende onderdelen en accessoires
- Duidelijke technische tekeningen
- Goede klantenservice


