Technische tekeningen voor Peugeot Jet Force (replica onderdelen / origineel)
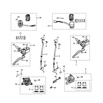
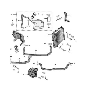
Klik hier op de technische tekeningen of te wel exploded view van de Peugeot Jet Force (replica onderdelen / origineel)scooter waar u onderdelen of accessoires voor zoekt. De technische tekeningen van de Peugeot Jet Force (replica onderdelen / origineel) geven u een duidelijk overzicht van de verschillende passende onderdelen en accessoires. Door zo uw onderdelen te zoeken, heeft u altijd passende onderdelen voor uw Peugeot Jet Force (replica onderdelen / origineel).


