Peugeot Tweet 125 Z PRO 2021–2022 ANTARTICA WHITE (K7) onderdelen
De Peugeot Tweet 125 Z PRO ANTARTICA WHITE (K7) is de professionele uitvoering binnen de populaire Tweet-serie. Deze scooter is speciaal ontwikkeld voor intensief dagelijks gebruik, zoals koeriersdiensten en bezorgtoepassingen. De betrouwbare 125 cc viertakt-injectiemotor voldoet aan de Euro 5-emissienorm en levert soepele, stille en zuinige prestaties — perfect voor stedelijke ritten en frequente stops.
De Tweet 125 Z PRO onderscheidt zich door zijn robuuste ontwerp, lage gewicht en uitstekende wendbaarheid. Dankzij de grote 16-inch wielen biedt hij maximale stabiliteit, zelfs op ongelijke wegen. De uitvoering in Antartica White (K7) geeft de scooter een frisse, professionele uitstraling die past bij zakelijk gebruik. Standaard is de Z PRO uitgerust met een versterkt bagagerek en een comfortabele zithouding, ideaal voor dagelijks intensief gebruik.
Bij Zandri vind je een compleet assortiment originele en vervangende onderdelen voor de Peugeot Tweet 125 Z PRO ANTARTICA WHITE (K7). Of je nu onderhoud uitvoert of slijtdelen vervangt, wij hebben alles wat je nodig hebt om jouw scooter in topconditie te houden. Daarnaast vind je bij ons ook een groot aanbod accessoires zoals windschermen, spiegels, koffers en valbeugels.
Veel bestelde Peugeot Tweet 125 Z PRO ANTARTICA WHITE (K7) onderdelen bij Zandri
- Beplatingsdelen
- Remblokken / remsysteem
- Variateur / aandrijving / overbrenging
- Accu’s / elektrische delen
- Banden
- Filters / Bougie / Onderhoudsartikelen
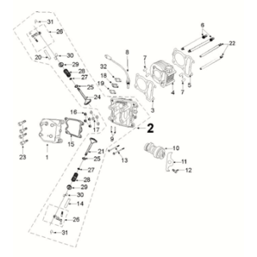
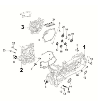
Deze onderdelen worden vaak vervangen tijdens regulier onderhoud of reparatie. Dankzij duidelijke technische tekeningen en een ruime voorraad bestel je bij Zandri altijd het juiste onderdeel voor jouw Peugeot Tweet 125 Z PRO ANTARTICA WHITE (K7).
Originele en vervangende onderdelen voor de Peugeot Tweet 125 Z PRO
Of je nu kiest voor originele Peugeot-onderdelen met fabriekskwaliteit of voor hoogwaardige vervangende onderdelen als voordelig alternatief — bij Zandri ben je verzekerd van betrouwbaarheid, duurzaamheid en perfecte pasvorm. Alle onderdelen zijn zorgvuldig geselecteerd voor de beste prestaties en compatibiliteit.
Waarom onderdelen bestellen bij Zandri?
- Snelle levering – levertijd 1–3 werkdagen
- Veel op voorraad – originele, vervangende onderdelen en accessoires
- Duidelijke technische tekeningen – bestel altijd het juiste onderdeel
- Goede klantenservice – wij denken met je mee
Bestel Peugeot Tweet 125 Z PRO onderdelen bij Zandri
De Peugeot Tweet 125 Z PRO ANTARTICA WHITE (K7) is een echte werkscooter — betrouwbaar, efficiënt en comfortabel. Bij Zandri bestel je snel en eenvoudig alle onderdelen en accessoires om jouw Z PRO in topvorm te houden. Met snelle levering, deskundig advies en een breed assortiment is jouw scooter binnen de kortste tijd weer rijklaar.


