Technische tekeningen Piaggio Fly 4-takt rood 894
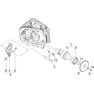
Klik hier op de technische tekeningen of te wel exploded view van de Piaggio Fly 4-takt rood 894 scooter waar u onderdelen of accessoires voor zoekt. De technische tekeningen van de Piaggio Fly 4-takt rood 894 geven u een duidelijk overzicht van de verschillende passende onderdelen en accessoires. Door zo uw onderdelen te zoeken, heeft u altijd passende onderdelen voor uw Piaggio Fly 4-takt rood 894.
Over de Piaggio Fly
De Piaggio FLY is waarschijnlijk de meest verkochte scooter van Europa. De betrouwbaarheid en zeer goede rijprestaties door zijn lange wielbasis maken de FLY zeer geliefd. De PIAGGIO FLY werd op de markt gebracht in 2005, als grote broer van de PIAGGIO ZIP. De Fly is ruim en zeer geschikt voor twee personen. Zeker in combinatie met een Piaggio viertakt motor zeer zuinig en stil. De speciale zijbumpertjes zorgen voor een beperking van schade bij een eventuele val. Deze no-nonsense scooter is vanaf het begin een verkooptopper geweest voor Piaggio/Vespa.


