Onderdelen en accessoires voor Pronto Amaro
Klik hier op de juiste uitvoering van de Pronto Amaro scooter waar u onderdelen of accessoires voor zoekt. De technische tekeningen van de Pronto Amaro geven u een duidelijk overzicht van de verschillende passende onderdelen en accessoires. De originele Pronto Amaro delen passen natuurlijk het beste.
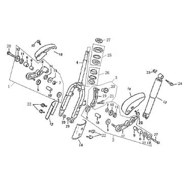
Onderdelen via technische tekening voor Pronto Amaro
Bovenstaand ziet u de modellen van het type Retro waar wij technische tekeningen van hebben. Kies eerst uw model en bekijk dan de tekening die u nodig denkt te hebben. Als u op deze manier onderdelen zoekt bent u altijd gegarandeerd van passende onderdelen en accessoires voor uw Pronto Amaro. Voor het onderhoud van uw Pronto Amaro is het erg belangrijk dat u goed passende onderdelen gebruikt, dit voorkomt onnodige slijtage en kan u veel onnodige kosten besparen.
Onderdelen en kleuren
Dit type wordt geleverd in zeer veel verschillende kleuren. Kleuren die bij ons bekend zijn:
• Licht blauw
• Smokey
• Antraciet
• Zwart
• Wit
Het is echter geen garantie dat wanneer u een nieuw kapdeel van dezelfde kleur bestelt, deze exact dezelfde kleur heeft als de kappen die op uw scooter zitten. De kleur kan soms iets afwijken.
De Pronto Amaro scooter
De Pronto Amaro wordt veel verkocht en grotendeels voor recreatieve doeleinden. Het is een erg leuke ''fun'' scooter! De Pronto Amaro 4-takt heeft een klassieke uitstraling. De Retro is uitgerust met een GY6 motorblok, dus geschikt voor het tanken van Euro 95. Door veel gebruik te maken van chroomdelen en een breed stuur, wordt het retro karakter van deze scooter nog sterker benadrukt!


