Technische tekeningen voor Pronto Rimini 125cc wit
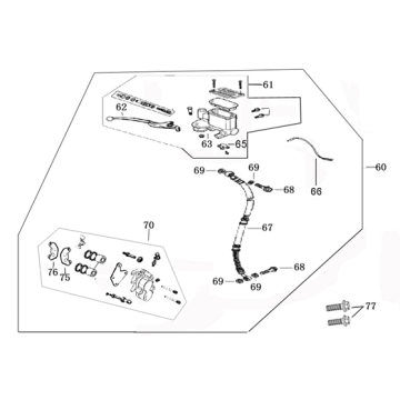
Klik hier op de technische tekeningen of te wel exploded view van de Pronto Rimini 125cc wit scooter waar u onderdelen of accessoires voor zoekt. De technische tekeningen van de Pronto Rimini 125cc wit geven u een duidelijk overzicht van de verschillende passende onderdelen en accessoires. Door zo uw onderdelen te zoeken, heeft u altijd passende onderdelen voor uw Pronto Rimini 125cc wit.
De verkrijgbare kleuren van de Pronto Rimini 125CC zijn:
- Wit
- Zwart
- Groen
Er kan bij beplatingsdelen een zeer gering kleurverschil optreden, door bijvoorbeeld zonlicht.
De Pronto Rimini 125CC scooter.
Onderdelen en accessoires voor de Pronto Rimini 125CC via technische tekeningen. De juiste onderdelen en accessoires zijn heel eenvoudig te vinden door de tekeningen te scrollen. Ook kan je de tekeningen verder opblazen door in te zoemen. Van de meeste onderdelen zijn ook foto’s gemaakt! Door voor originele Pronto parts te kiezen ben je altijd verzekerd van de juiste pasvorm en kwaliteit. Daardoor ook minder slijtage aan je Pronto scooter.


