Technische tekeningen voor Pronto Rimini zilver
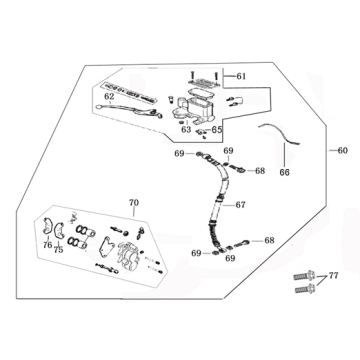
Klik hier op de technische tekeningen of te wel exploded view van de Pronto Rimini zilver scooter waar u onderdelen of accessoires voor zoekt. De technische tekeningen van de Pronto Rimini zilver geven u een duidelijk overzicht van de verschillende passende onderdelen en accessoires. Door zo uw onderdelen te zoeken, heeft u altijd passende onderdelen voor uw Pronto Rimini zilver.
De Pronto Rimini scooter
De Rimini rijdt op loodvrije Benzine en is zuinig en stil. Ook is de Rimini geschikt voor twee personen en heeft de Pronto relatief veel beenruimte. De Pronto Rimini is een echte Vespa look-a-like. De bagageruimte onder de buddyseat is groot. De GY-6 4takt motor zorgt voor een goede trekkracht. De Pronto Rimini is een klassiek ogend model scooter.
Onderdelen en kleuren
Het type Rimini wordt geleverd in meerdere kleuren. Kleuren die bij ons bekend zijn:
Onderdelen voor Pronto Rimini
Bovenstaand ziet u de modellen van het type Rimini waar wij technische tekeningen van hebben. Kies eerst uw model en bekijk dan de tekening die u nodig denkt te hebben. Als u op deze manier onderdelen zoekt bent u altijd gegarandeerd van passende onderdelen en accessoires voor uw Pronto Rimini. Voor het onderhoud van uw Pronto Rimini is het erg belangrijk dat u goed passende onderdelen gebruikt dit voorkomt onnodige slijtage en kan u veel onnodige kosten bezorgen.


