Technische tekeningen voor Senzo Retro GT2 rood
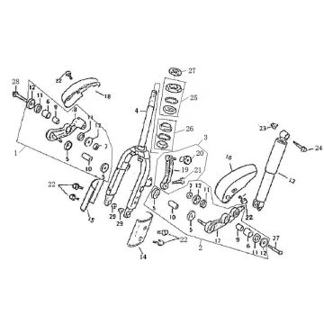
Klik hier op de technische tekeningen of te wel exploded view van de Senzo Retro GT2 rood scooter waar u onderdelen of accessoires voor zoekt. De technische tekeningen van de Senzo Retro GT2 rood geven u een duidelijk overzicht van de verschillende passende onderdelen en accessoires. Door zo uw onderdelen te zoeken, heeft u altijd passende onderdelen voor uw Senzo Retro GT2 rood.
De Senzo Retro GT2 scooter
Het is een erg leuke ''fun'' scooter! De Senzo Retro GT2 4-takt heeft een klassieke uitstraling. De Retro is uitgerust met een GY6 motorblok, dus geschikt voor het tanken van Euro 95. Door veel gebruik te maken van chroomdelen en een breed stuur, wordt het retro karakter van deze scooter nog sterker benadrukt! De Senzo Retro wordt veel verkocht en grotendeels voor recreatieve doeleinden.
Onderdelen via technische tekening voor Senzo Retro
Bovenstaand ziet u de modellen van het type Retro waar wij technische tekeningen van hebben. Kies eerst uw model en bekijk dan de tekening die u nodig denkt te hebben. Als u op deze manier onderdelen zoekt bent u altijd gegarandeerd van passende onderdelen en accessoires voor uw Senzo Retro. Let wel goed op de kapdelen van deze scooter, deze kunnen namelijk afwijken. Voor het onderhoud van uw Senzo Retro is het erg belangrijk dat u goed passende onderdelen gebruikt, dit voorkomt onnodige slijtage en kan u veel onnodige kosten besparen.
Onderdelen en kleuren
Dit type wordt geleverd in zeer veel verschillende kleuren. Kleuren die bij ons bekend zijn:
Het is echter geen garantie dat wanneer u een nieuw kapdeel van dezelfde kleur bestelt, deze exact dezelfde kleur heeft als de kappen die op uw scooter zitten. De kleur kan soms iets afwijken.
Onderdelen voor de Senzo Grande Retro
De Senzo Grande Retro onderdelen zijn eenvoudig te vinden via onze technische tekeningen. Door te scrollen, daarna in te zoomen, om vervolgens op de foto te klikken. Door gebruik te maken van de onderdelen en accessoires op de tekeningen weet u zeker dat de pasvorm altijd 100% is, en de slijtage aan de scooter het geringst.
Senzo scooters
Naast alle onderdelen van de Senzo Grande Retro die u kunt vinden op bovenstaande technische tekeningen hebben wij ook voor vele andere types van het merk Senzo diverse onderdelen die u via onze technische tekeningen kunt vinden. Denk hierbij aan:
Mocht u uw onderdeel toch niet kunnen vinden, neem dan gerust contact op met onze klantenservice. Wij helpen u graag!


