SYM Mio 50i E5 Brown/Black (BR-435S/BK-001C) onderdelen
De SYM Mio 50i E5 Brown/Black (BR-435S/BK-001C) combineert warme bruintinten met stoer zwart. Deze uitvoering uit 2021–2024 heeft een moderne 50cc 4-takt EFI-motor volgens de Euro 5-norm – zuinig, stil en betrouwbaar.
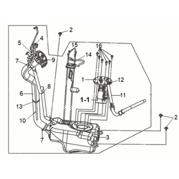
Bij Zandri bestel je originele SYM onderdelen voor jouw Mio 50i Brown/Black, direct leverbaar.
Onderhoudspakket voor de SYM Mio 50i Brown/Black
Gebruik het onderhoudspakket voor de SYM Mio 50i E5 voor professioneel onderhoud en langdurige prestaties.
Accessoires voor de SYM Mio 50i Brown/Black
- Windschermen
- Beenkleden
- Klapdragers
- Spiegels en sierdelen
Bekijk onze SYM Mio 50i montagevideo’s
Bekijk onderhoudsvideo’s via het Zandri YouTube-kanaal.
Waarom onderdelen bestellen bij Zandri?
- Snelle levering
- Ruime voorraad
- Originele SYM-kwaliteit
- Goede klantenservice
Bestel SYM Mio 50i Brown/Black onderdelen bij Zandri
Bij Zandri bestel je eenvoudig originele onderdelen en accessoires voor jouw SYM Mio 50i E5 Brown/Black (BR-435S/BK-001C).


