Technische tekeningen voor Turbho RG50 oranje
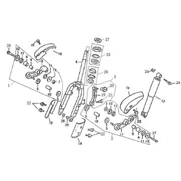
Klik hier op de technische tekeningen of te wel exploded view van de Turbho RG50 oranje scooter waar u onderdelen of accessoires voor zoekt. De technische tekeningen van de Turbho RG50 oranje geven u een duidelijk overzicht van de verschillende passende onderdelen en accessoires. Door zo uw onderdelen te zoeken, heeft u altijd passende onderdelen voor uw Turbho RG50 oranje.
De Thurbo RG50 scooter
De Thurbo RG50 4-takt heeft een klassieke uitstraling. De Retro is uitgerust met een GY6 motorblok, dus geschikt voor het tanken van Euro 95. Door veel gebruik te maken van chroomdelen en een breed stuur, wordt het retro karakter van deze scooter nog sterker benadrukt! De Thurbo RG50 wordt veel verkocht en grotendeels voor recreatieve doeleinden. Het is een erg leuke ''fun'' scooter!
Onderdelen en kleuren
Dit type wordt geleverd in zeer veel verschillende kleuren. Kleuren die bij ons bekend zijn:
• Zwart
• Wit
• Licht blauw
• Smokey
• Antraciet
Het is echter geen garantie dat wanneer u een nieuw kapdeel van dezelfde kleur bestelt, deze exact dezelfde kleur heeft als de kappen die op uw scooter zitten. De kleur kan soms iets afwijken.
Onderdelen via technische tekening voor Thurbo RG50.
Voor het onderhoud van uw Thurbo RG50 is het erg belangrijk dat u goed passende onderdelen gebruikt, dit voorkomt onnodige slijtage en kan u veel onnodige kosten besparen. Bovenstaand ziet u de modellen van het type Retro waar wij technische tekeningen van hebben. Kies eerst uw model en bekijk dan de tekening die u nodig denkt te hebben. Als u op deze manier onderdelen zoekt bent u altijd gegarandeerd van passende onderdelen en accessoires voor uw Thurbo RG50.


