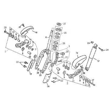
Technische tekeningen Vom Bella zwart creme
Klik hier op de technische tekeningen of te wel exploded view van de Vom Bella zwart creme scooter waar u onderdelen of accessoires voor zoekt. De technische tekeningen van de Vom Bella zwart creme geven u een duidelijk overzicht van de verschillende passende onderdelen en accessoires. Door zo uw onderdelen te zoeken, heeft u altijd passende onderdelen voor uw Vom Bella zwart creme.


