Technische tekeningen Wangye Maple II Euro2 zwart
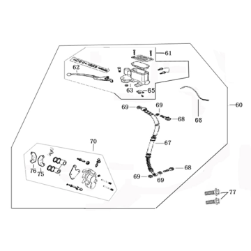
Klik hier op de technische tekeningen of te wel exploded view van de Wangye Maple II Euro2 zwart scooter waar u onderdelen of accessoires voor zoekt. De technische tekeningen van de Wangye Maple II Euro2 zwart geven u een duidelijk overzicht van de verschillende passende onderdelen en accessoires. Door zo uw onderdelen te zoeken, heeft u altijd passende onderdelen voor uw Wangye Maple II Euro2 zwart.


