Onderdelen en accessoires voor Yamaha Aerox
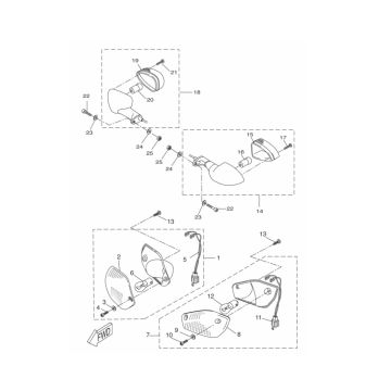
Klik hier op de juiste uitvoering van de Yamaha Aerox waar u onderdelen of accessoires voor zoekt. De technische tekeningen van de Yamaha Aerox geven u een duidelijk overzicht van de verschillende passende onderdelen en accessoires. De originele Yamaha delen passen natuurlijk het beste.
Onderdelen Yamaha Aerox
Yamaha Aerox is het meest verkochte type van Yamaha. Deze sportieve scooter en zeer goed sturende scooter! Een Yamaha Aerox is niet goedkoop en wordt geleverd met zowel een 2-takt als een 4-takt motor. In de bovenstaande categorieën staan alle onderdelen Overzichtelijk op technische tekeningen. Hier vind u naast alle originele Yamaha onderdelen een uitgebreid scala aan replica onderdelen.
Hoe zoekt u onderdelen voor uw Yamaha Aerox scooter?
Wij kunnen alle onderdelen voor uw Yamaha Aerox scooter leveren. Kies eerst uw model en bekijk dan de tekening die u nodig denkt te hebben. Vanuit de tekening kunt u onderdelen bestellen. Als u via deze technische tekeningen uw onderdelen en accessoires zoekt, bent u altijd gegarandeerd van passende onderdelen voor uw Aerox scooter!
Onderdelen en accessoires
Voor alle verschillende types Yamaha scooter zijn een groot aantal onderdelen en accessoires verkrijgbaar. Vanuit deze pagina kunt u navigeren naar de pagina waar alle onderdelen overzichtelijk geplaatst zijn, gerangschikt per type scooter. Wij helpen u graag met het vinden van de goede onderdelen dus neem gerust contact met ons op. Voor alle universele delen kunt u zoeken via de categorieën of u kunt gebruik maken van de zoekbalk in de rechter bovenhoek.


