Onderdelen en accessoires voor Yamaha Bw's
Klik hier op de juiste uitvoering van de Yamaha Bw's waar u onderdelen of accessoires voor zoekt. De technische tekeningen van de Yamaha Bw's geven u een duidelijk overzicht van de verschillende passende onderdelen en accessoires. De originele Yamaha delen passen natuurlijk het beste.
Onderdelen Yamaha Bw's
De Yamaha Bw's is de Mercedes G-klasse uit de Yamaha familie. Een model met een lange geschiedenis. Een compacte en super strak sturende scooter. De minerelli verticaal air-cooled motor is zeer betrouwbaar en makkelijk te tunen. Ook de kappensets zijn eenvoudig te monteren en relatief goedkoop. In onze ogen is de Yamaha Bw's altijd een goede keuze!
Hoe zoekt u onderdelen voor uw Yamaha Bw's scooter?
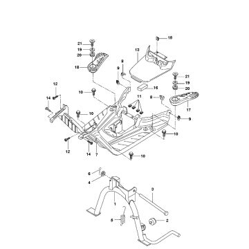
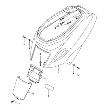
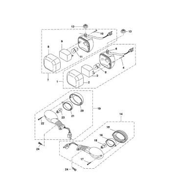
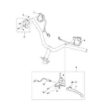
Wij kunnen praktisch alle onderdelen voor uw Yamaha Bw's scooter leveren. Kies eerst uw model en bekijk dan de tekening die u nodig denkt te hebben. Vanuit de tekening kunt u onderdelen bestellen. Als u via deze technische tekeningen uw onderdelen en accessoires zoekt, bent u altijd gegarandeerd van passende onderdelen voor uw Bw's scooter!
Onderdelen en accessoires
Voor alle verschillende types Yamaha scooter zijn een groot aantal onderdelen en accessoires verkrijgbaar. Vanuit deze pagina kunt u navigeren naar de pagina waar alle onderdelen overzichtelijk geplaatst zijn, gerangschikt per type scooter. Voor alle universele delen kunt u zoeken via de categorieën of u kunt gebruik maken van de zoekbalk in de rechter bovenhoek.


