Onderdelen Yamaha Neo's
De Yamaha Neo's is wereldwijd de meest verkochte Yamaha scooter. Alle Yamaha's zijn super betrouwbaar, dus de Neo's ook! Het basismodel van de Yamaha Neo's werd in 1997 geïntroduceerd. In 2005 kreeg de Yamaha Neo's een face-lift. In 2008 werd de geheel vernieuwde Yamaha Neo's 4-takt op de markt gebracht. Deze scooter is technische gezien de beste scooter die te koop is, in onze ogen. De Yamaha Neo's is geen goedkope scooter maar wel een erg goede!
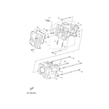
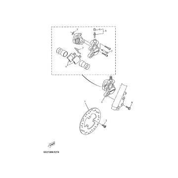
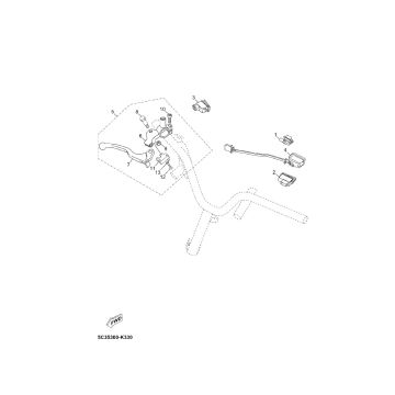
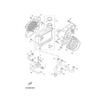
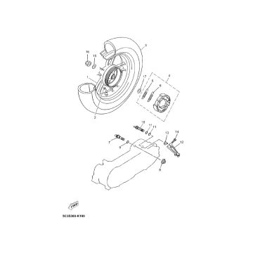
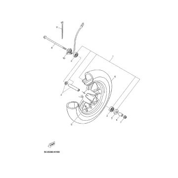
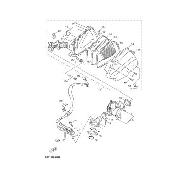
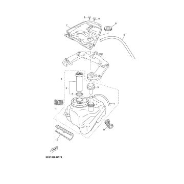
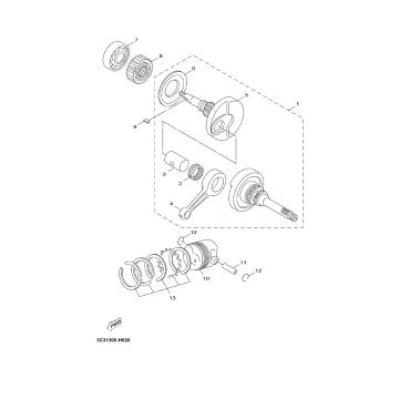
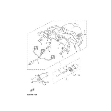
Hoe zoekt u onderdelen voor uw Yamaha Neo's scooter?
Wij kunnen praktisch alle onderdelen voor uw Yamaha Neo's scooter leveren. Kies eerst uw model en bekijk dan de tekening die u nodig denkt te hebben. Vanuit de tekening kunt u onderdelen bestellen. Als u via deze technische tekeningen uw onderdelen en accessoires zoekt, bent u altijd gegarandeerd van passende onderdelen voor uw Neo's scooter!
Onderdelen en accessoires
Voor alle verschillende types Yamaha scooter zijn een groot aantal onderdelen en accessoires verkrijgbaar. Vanuit deze pagina kunt u navigeren naar de pagina waar alle onderdelen overzichtelijk geplaatst zijn, gerangschikt per type scooter. Voor alle universele delen kunt u zoeken via de categorieën of u kunt gebruik maken van de zoekbalk in de rechter bovenhoek.


