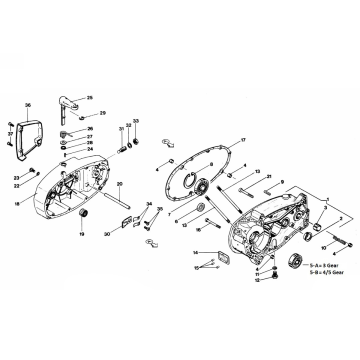
Technische tekeningen Zundapp C50 sport 529-010
Klik hier op de technische tekeningen of te wel exploded view van de Zundapp C50 sport 529-010 waar u onderdelen voor zoekt. De technische tekeningen van de Zundapp C50 sport 529-010 geven u een duidelijk overzicht van de verschillende passende onderdelen. Door zo uw onderdelen te zoeken, heeft u altijd passende onderdelen voor uw Zundapp C50 sport 529-010.


