USP Icon
Gemakkelijk retourneren
USP Icon
Klanten beoordelen Zandri met een 9
USP Icon
Meer dan 100.000 parts in het assortiment

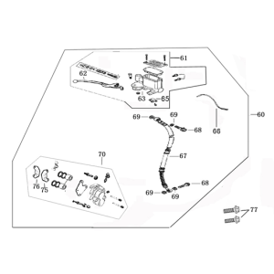
Achterlicht - Achterspatbord Rover GT lichtblauw metallic

Achterlicht - Achterspatbord Rover GT lichtblauw metallic
loader
Bezig met laden...

Onderdelen Rover GT Euro2 lichtblauw metallic