Technische tekeningen voor Rover GT lichtblauw metallic
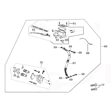
Klik hier op de technische tekeningen of te wel exploded view van de Rover GT lichtblauw metallic scooter waar u onderdelen of accessoires voor zoekt. De technische tekeningen van de Rover GT lichtblauw metallic geven u een duidelijk overzicht van de verschillende passende onderdelen en accessoires. Door zo uw onderdelen te zoeken, heeft u altijd passende onderdelen voor uw Rover GT lichtblauw metallic.


