Technische tekeningen voor Berini Napoli 125cc zwart
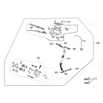
Klik hier op de technische tekeningen of te wel exploded view van de Berini Napoli 125cc zwart scooter waar u onderdelen of accessoires voor zoekt. De technische tekeningen van de Berini Napoli 125cc zwart geven u een duidelijk overzicht van de verschillende passende onderdelen en accessoires. Door zo uw onderdelen te zoeken, heeft u altijd passende onderdelen voor uw Berini Napoli 125cc zwart.


