Technische tekeningen voor Onderdelen BTC Grande Retro 125cc
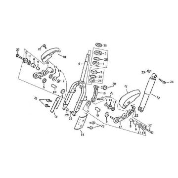
Klik hier op de technische tekeningen of te wel exploded view van de Onderdelen BTC Grande Retro 125cc waar u onderdelen of accessoires voor zoekt. De technische tekeningen van de Onderdelen BTC Grande Retro 125cc geven u een duidelijk overzicht van de verschillende passende onderdelen en accessoires. Door zo uw onderdelen te zoeken, heeft u altijd passende onderdelen voor uw Onderdelen BTC Grande Retro 125cc.


