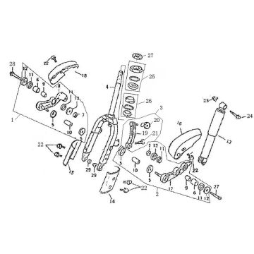
Technische tekeningen voor BTC Grande Retro roze
Klik hier op de technische tekeningen of te wel exploded view van de BTC Grande Retro roze waar u onderdelen of accessoires voor zoekt. De technische tekeningen van de BTC Grande Retro roze geven u een duidelijk overzicht van de verschillende passende onderdelen en accessoires. Door zo uw onderdelen te zoeken, heeft u altijd passende onderdelen voor uw BTC Grande Retro roze.


