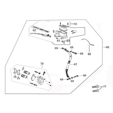
Technische tekeningen voor BTC Riva 125cc zwart
Klik hier op de technische tekeningen of te wel exploded view van de BTC Riva 125cc zwart waar u onderdelen of accessoires voor zoekt. De technische tekeningen van de BTC Riva 125cc zwart geven u een duidelijk overzicht van de verschillende passende onderdelen en accessoires. Door zo uw onderdelen te zoeken, heeft u altijd passende onderdelen voor uw BTC Riva 125cc zwart.


