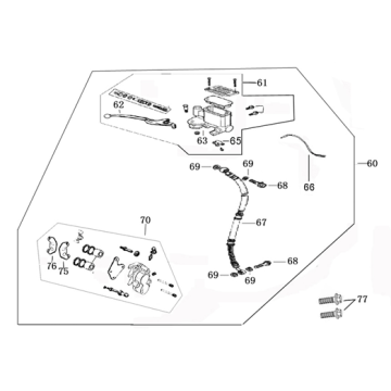
Technische tekeningen voor China VX50 zwart
Klik hier op de technische tekeningen of te wel exploded view van de China VX50 zwart scooter waar u onderdelen of accessoires voor zoekt. De technische tekeningen van de China VX50 zwart geven u een duidelijk overzicht van de verschillende passende onderdelen en accessoires. Door zo uw onderdelen te zoeken, heeft u altijd passende onderdelen voor uw China VX50 zwart.


