Technische tekeningen voor China Grande Retro lichtblauw
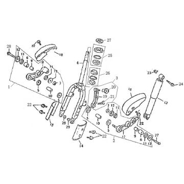
Klik hier op de technische tekeningen of te wel exploded view van de China Grande Retro lichtblauw scooter waar u onderdelen of accessoires voor zoekt. De technische tekeningen van de China Grande Retro lichtblauw geven u een duidelijk overzicht van de verschillende passende onderdelen en accessoires. Door zo uw onderdelen te zoeken, heeft u altijd passende onderdelen voor uw China Grande Retro lichtblauw.


