Technische tekeningen voor China Grande Retro roze
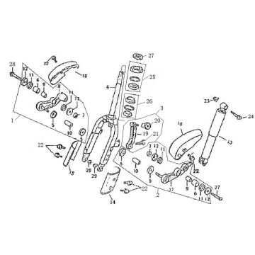
Klik hier op de technische tekeningen of te wel exploded view van de China Grande Retro roze scooter waar u onderdelen of accessoires voor zoekt. De technische tekeningen van de China Grande Retro roze geven u een duidelijk overzicht van de verschillende passende onderdelen en accessoires. Door zo uw onderdelen te zoeken, heeft u altijd passende onderdelen voor uw China Grande Retro roze.


