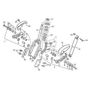
Technische tekeningen voor Fosti Grande Retro blauw wit
Klik hier op de technische tekeningen of te wel exploded view van de Fosti Grande Retro blauw wit scooter waar u onderdelen of accessoires voor zoekt. De technische tekeningen van de Fosti Retro blauw wit geven u een duidelijk overzicht van de verschillende passende onderdelen en accessoires. Door zo uw onderdelen te zoeken, heeft u altijd passende onderdelen voor uw Fosti Grande Retro blauw wit.


