Technische tekeningen voor Fosti Grande Retro zwart
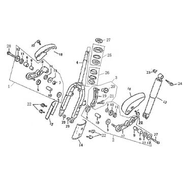
Klik hier op de technische tekeningen of te wel exploded view van de Fosti Grande Retro zwart scooter waar u onderdelen of accessoires voor zoekt. De technische tekeningen van de Fosti Grande Retro zwart geven u een duidelijk overzicht van de verschillende passende onderdelen en accessoires. Door zo uw onderdelen te zoeken, heeft u altijd passende onderdelen voor uw Fosti Grande Retro zwart.


