Technische tekeningen voor Giantco Grand Venus donkerblauw
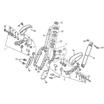
Klik hier op de technische tekeningen of te wel exploded view van de Giantco Grand Venus donkerblauw scooter waar u onderdelen of accessoires voor zoekt. De technische tekeningen van de Giantco Grand Venus donkerblauw geven u een duidelijk overzicht van de verschillende passende onderdelen en accessoires. Door zo uw onderdelen te zoeken, heeft u altijd passende onderdelen voor uw Giantco Grand Venus donkerblauw.


