Technische tekeningen voor Iva Lux 125cc zilver
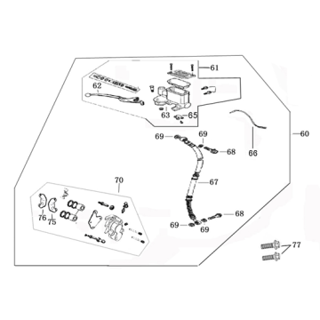
Klik hier op de technische tekeningen of te wel exploded view van de Iva Lux 125cc zilver scooter waar u onderdelen of accessoires voor zoekt. De technische tekeningen van de Iva Lux 125cc zilver geven u een duidelijk overzicht van de verschillende passende onderdelen en accessoires. Door zo uw onderdelen te zoeken, heeft u altijd passende onderdelen voor uw Iva Lux 125cc zilver.


