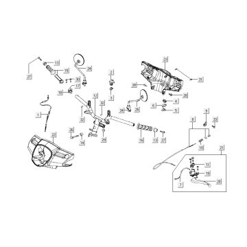
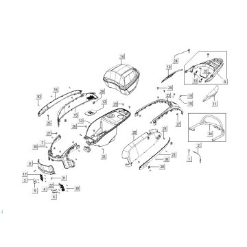
Technische tekeningen voor Kymco Like 4-takt wit
Klik hier op de technische tekeningen of te wel exploded view van de Kymco Like 4-takt wit waar u onderdelen of accessoires voor zoekt. De technische tekeningen van de Kymco Like 4-takt wit geven u een duidelijk overzicht van de verschillende passende onderdelen en accessoires. Door zo uw onderdelen te zoeken, heeft u altijd passende onderdelen voor uw Kymco Like 4-takt wit.


