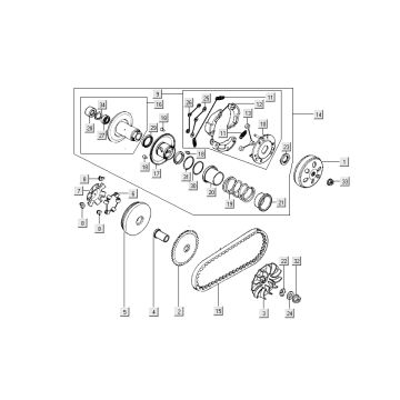
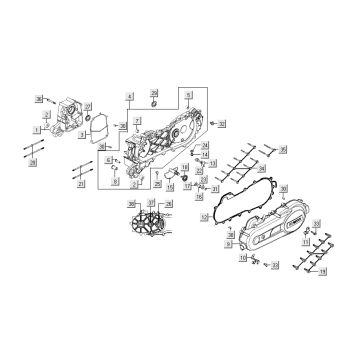
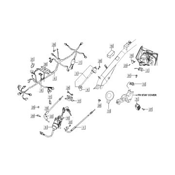
Technische tekeningen voor Kymco People S 4-takt Elegance bruin
Klik hier op de technische tekeningen of te wel exploded view van de Kymco People S 4-takt Elegance bruin waar u onderdelen of accessoires voor zoekt. De technische tekeningen van de Kymco People S 4-takt Elegance bruin geven u een duidelijk overzicht van de verschillende passende onderdelen en accessoires. Door zo uw onderdelen te zoeken, heeft u altijd passende onderdelen voor uw Kymco People S 4-takt Elegance bruin.


