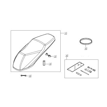
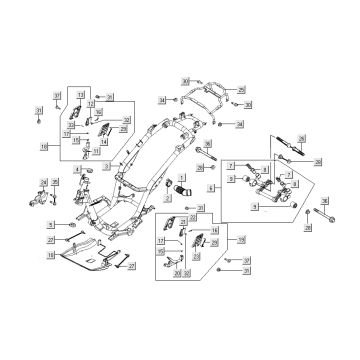
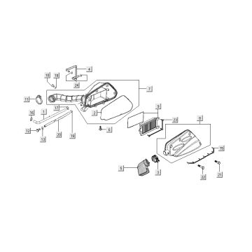
Technische tekeningen voor Kymco People S 4-takt Titanium
Klik hier op de technische tekeningen of te wel exploded view van de Kymco People S 4-takt Titanium waar u onderdelen of accessoires voor zoekt. De technische tekeningen van de Kymco People S 4-takt Titanium geven u een duidelijk overzicht van de verschillende passende onderdelen en accessoires. Door zo uw onderdelen te zoeken, heeft u altijd passende onderdelen voor uw Kymco People S 4-takt Titanium.


