Technische tekeningen voor Lintex Retro 125cc
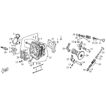
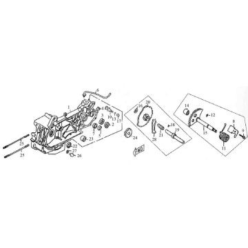
Klik hier op de technische tekeningen of te wel exploded view van de Lintex Retro 125cc scooter waar u onderdelen of accessoires voor zoekt. De technische tekeningen van de Lintex Retro 125cc geven u een duidelijk overzicht van de verschillende passende onderdelen en accessoires. Door zo uw onderdelen te zoeken, heeft u altijd passende onderdelen voor uw Lintex Retro 125cc.
De Lintex Retro.
Snel en eenvoudig de onderdelen en accessoires vinden die u zoekt? Dat kan! In de bovenstaande tekeningen vindt u alle onderdelen die passend zijn op uw Lintex Retro. Ook hebben wij aparte accessoires voor deze scooter die natuurlijk ook perfect passen. Er zijn een aantal voordelen als u gebruikt maakt van de onderdelen uit de tekeningen, namelijk:
- Pasvorm 100%
- Slijtage nihil
- Snel gevonden
- Hulp bij het zoeken
LET OP! Deze scooter is enkel verkrijgbaar in het zwart en de kapdelen etc. zijn dus ook enkel in de kleur zwart te bestellen.
De kracht binnenin.
Een echte motorscooter met een viertakt 125cc motorblok. Het krachtige blok is naast zuinig ook zeer geluidsarm en is geschikt voor zowel euro 98 als euro 95. Tevens is de wegligging van deze scooter prima en zorgt het brede stuur voor een nog betere handeling.


