Technische tekeningen voor NIU M1 antraciet
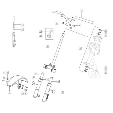
Klik hier op de technische tekeningen of te wel exploded view van de NIU M1 antraciet scooter waar u onderdelen of accessoires voor zoekt. De technische tekeningen van de NIU M1 antraciet geven u een duidelijk overzicht van de verschillende passende onderdelen en accessoires. Door zo uw onderdelen te zoeken, heeft u altijd passende onderdelen voor uw NIU M1 antraciet.


