Technische tekeningen Piaggio Zip 2000 4-takt AC blauw midnight 222
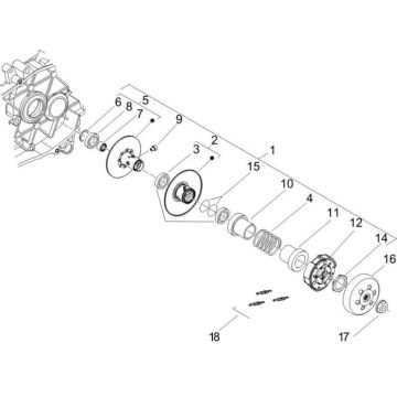
Klik hier op de technische tekeningen of te wel exploded view van de Piaggio Zip 2000 4-takt AC blauw midnight 222 scooter waar u onderdelen of accessoires voor zoekt. De technische tekeningen van de Piaggio Zip 2000 4-takt AC blauw midnight 222 geven u een duidelijk overzicht van de verschillende passende onderdelen en accessoires. Door zo uw onderdelen te zoeken, heeft u altijd passende onderdelen voor uw Piaggio Zip 2000 4-takt AC blauw midnight 222.
Onderdelen voor uw Piaggio Zip 2000 4-takt via technische tekening
De Piaggio Zip 4-takt is de meest verkochte scooter. De Zip 4 takt deelt zijn motor met Vespa LX 4 takt. Dit motorblok is hert meest geproduceerde blok van Piaggop/Vespa. Het is uiterst zuinig, betrouwbaar en stil. De Piaggio Zip is compact, maar toch in zitpositie redelijk ruim. De Zip 4 takt is gewoon een winnaar! Onderhoud aan uw Piaggio Zip 2000 4-takt is natuurlijk erg belangrijk. Maar hoe zoekt u uw onderdelen? Kies hierboven eerst uw type, dan uw model en bekijk dan de tekening die u nodig denkt te hebben. Als u via deze technische tekeningen uw onderdelen en accessoires zoekt, bent u altijd gegarandeerd van passende onderdelen voor uw Zip tweetakt!
Vragen?
Mocht u er niet uitkomen via de technische tekeningen dan kunnen we altijd telefonisch of per e-mail verder helpen.


