Technische tekeningen voor Turbho Cx-50 4-takt
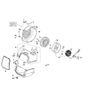
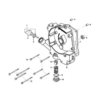
Klik hier op de technische tekeningen of te wel exploded view van de Turbho Cx-50 4-takt wit scooter waar u onderdelen of accessoires voor zoekt. De technische tekeningen van de Turbho Cx-50 4-takt wit geven u een duidelijk overzicht van de verschillende passende onderdelen en accessoires. Door zo uw onderdelen te zoeken, heeft u altijd passende onderdelen voor uw Turbho Cx-50 4-takt.
Onderdelen voor je Turbho CX-50
De Turbho CX-50 is een compacte stadscooter. Deze CX-50 is uitgerust met een 4-takt GY-6 motortblok. Dit een een relatief zuinig blok wat Turbho gemonteerd heeft. Ondanks de kleine wielen ( 10 inch ) is de zitpositie alleszins redelijk te noemen. De Turbho CX-50 is ''veel'' viertakt scooter voor weinig geld.
Onderdelen zoeken via tekeningen
De Turbho CX-50 4-takt motoren verbruiken een stuk minder brandstof dan de tweetakt motoren en de slijtage is een stuk minder. Wanneer je onderdelen nodig hebt voor onderhoud of aanpassingen aan je CX50 Turbho scooter, dan bent u bij Zandri aan het juiste adres!
Hierboven ziet u de verschillende types van de Turbho CX 50 scooters waar wij technische tekeningen van hebben. Kies eerst uw type, dan uw model en bekijk dan de tekeningen die u nodig heeft. Mocht u onverhoopt toch nog onderdelen niet kunnen vinden, dan helpen wij u graag telefonisch verder.


