Yamaha DT-50 MX onderdelen
De Yamaha DT-50 MX is een klassieke brommer die geliefd is bij liefhebbers van sportieve en betrouwbare tweetaktmotoren. Met zijn offroad-uitstraling, wendbaarheid en degelijke techniek is de DT-50 MX jarenlang een populaire keuze geweest onder jonge rijders. Tot op de dag van vandaag is dit model gewild bij verzamelaars en hobbyisten die hun brommer in topconditie willen houden of volledig willen restaureren.
Bij Zandri vind je uitsluitend vervangende Yamaha DT-50 MX onderdelen. Deze onderdelen zijn van hoge kwaliteit en zorgen ervoor dat jouw DT-50 MX rijklaar blijft of er weer als nieuw uit komt te zien.
Waarom kiezen voor de Yamaha DT-50 MX?
De Yamaha DT-50 MX staat bekend om zijn sportieve rijgedrag, lichte frame en herkenbare offroad-styling. Dankzij de eenvoudige techniek en het robuuste motorblok is dit model goed te onderhouden en ideaal voor zowel dagelijks gebruik als recreatief rijden. Met de juiste vervangende onderdelen kun je dit legendarische model eenvoudig rijklaar houden.
Veel bestelde Yamaha DT-50 MX onderdelen bij Zandri
Sommige onderdelen van de Yamaha DT-50 MX slijten sneller of worden vaak vervangen tijdens onderhoud. Bij Zandri zijn deze altijd ruim op voorraad, zodat je direct aan de slag kunt. Denk hierbij aan:
- Banden
- Uitlaten
- Cilinders
- Luchtfilters
- Ketting en tandwielen
Deze onderdelen bestel je eenvoudig en snel, zodat je Yamaha DT-50 MX altijd betrouwbaar en rijklaar blijft.
Vervangende Yamaha DT-50 MX onderdelen
Bij Zandri bestel je alleen vervangende Yamaha DT-50 MX onderdelen. Deze onderdelen zijn speciaal ontwikkeld voor dit model en bieden een uitstekende pasvorm en kwaliteit tegen een scherpe prijs. Zo houd je jouw DT-50 MX betaalbaar in onderhoud en zorg je dat hij er perfect bij blijft staan.
Bij Zandri heb je bovendien de mogelijkheid om onderdelen te zoeken aan de hand van OEM-nummers (ter referentie), zodat je altijd zeker weet dat je het juiste vervangende onderdeel bestelt.
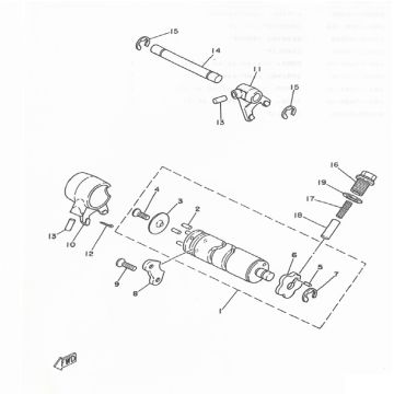
Vind eenvoudig het juiste onderdeel via technische tekeningen
Dankzij de duidelijke technische tekeningen hoef je nooit te raden welk onderdeel je nodig hebt. Je ziet precies waar ieder onderdeel hoort en bestelt eenvoudig via onze webshop.
Zo werkt het:
- Kies jouw Yamaha DT-50 MX model
- Bekijk de technische tekening
- Klik op het onderdeel dat je zoekt
- Bestel direct online
Waarom onderdelen bestellen bij Zandri?
- Snelle levering – levertijd 1-3 werkdagen
- Veel op voorraad – vervangende Yamaha DT-50 MX onderdelen
- Duidelijke tekeningen – je bestelt altijd het juiste onderdeel
- Goede klantenservice – wij denken met je mee
Bestel Yamaha DT-50 MX onderdelen bij Zandri
Bij Zandri vind je een groot aanbod vervangende Yamaha DT-50 MX onderdelen. Zo houd je jouw Yamaha DT-50 MX in topconditie en profiteer je van snelle levering en uitstekende service.


