USP Icon
Gemakkelijk retourneren
USP Icon
Klanten beoordelen Zandri met een 9
USP Icon
Meer dan 100.000 parts in het assortiment

Onderdelen en accessoires voor Znen Aurora IV

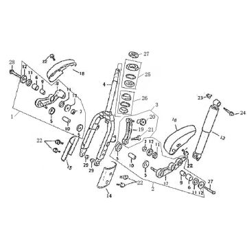
Klik hier op de juiste uitvoering van deZnen Grande Retro / ZN50QT-E waar u onderdelen of accessoires voor zoekt. De technische tekeningen van de Znen Aurora IV geven u een duidelijk overzicht van de verschillende passende onderdelen en accessoires. De originele Znen Aurora IV delen passen natuurlijk het beste. 

Lees meer
Onderdelen Znen Aurora IV zwart
Ontdek onze selectie in deze categorie
Producten 1-18 van 35
arrow-sm-down

De Znen Aurora IV scooter

De Znen Aurora IV wordt veel verkocht en grotendeels voor recreatieve doeleinden. Het is een erg leuke ''fun'' scooter! De Znen Grand Retro 4-takt heeft een klassieke uitstraling. De Retro is uitgerust met een GY6 motorblok, dus geschikt voor het tanken van Euro 95. Door veel gebruik te maken van chroomdelen en een breed stuur, wordt het retro karakter van deze scooter nog sterker benadrukt!

Onderdelen en kleuren

Dit type wordt geleverd in zeer veel verschillende kleuren. Kleuren die bij ons bekend zijn:

• Zwart

• Licht blauw

• Smokey

• Antraciet

• Wit

Het is echter geen garantie dat wanneer u een nieuw kapdeel van dezelfde kleur bestelt, deze exact dezelfde kleur heeft als de kappen die op uw scooter zitten. De kleur kan soms iets afwijken.

Onderdelen via technische tekening voor Znen Aurora IV

Bovenstaand ziet u de modellen van het type Retro waar wij technische tekeningen van hebben. Kies eerst uw model en bekijk dan de tekening die u nodig denkt te hebben. Als u op deze manier onderdelen zoekt bent u altijd gegarandeerd van passende onderdelen en accessoires voor uw Znen Aurora IV. Voor het onderhoud van uw Znen Grand Retro is het erg belangrijk dat u goed passende onderdelen gebruikt, dit voorkomt onnodige slijtage en kan u veel onnodige kosten besparen.

loader
Bezig met laden...