Onderdelen en accessoires voor Znen Revival / ZN50QT-D
Klik hier op de juiste uitvoering van de Znen Revival / ZN50QT-D scooter waar u onderdelen of accessoires voor zoekt. De technische tekeningen van de Znen Revival / ZN50QT-D geven u een duidelijk overzicht van de verschillende passende onderdelen en accessoires. De originele Znen Revival / ZN50QT-D delen passen natuurlijk het beste.
Onderdelen en accessoires voor Znen Revival / ZN50QT-D
Klik hier op de juiste uitvoering van de Znen Revival / ZN50QT-D waar u onderdelen of accessoires voor zoekt. De technische tekeningen van de Znen Revival / ZN50QT-D geven u een duidelijk overzicht van de verschillende passende onderdelen en accessoires. De originele Znen Revival / ZN50QT-D delen passen natuurlijk het beste.
De Znen Revival scooter.
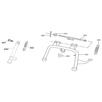
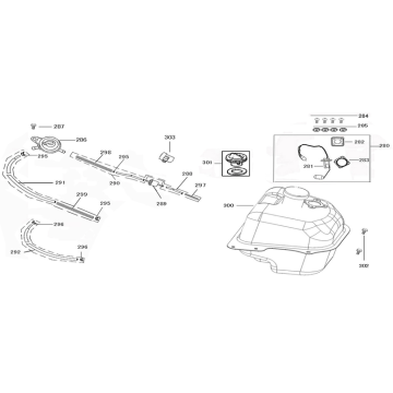
Door middel van technische tekeningen naar originele Znen delen. Deze tekeningen voor uw Znen Revival zijn zeer gebruiksvriendelijk, scroll door, zoom in en bekijk de foto’s van het betreffende onderdeel. Door van originele Znen delen gebruik te maken is de pasvorm ook gegarandeerd, de slijtage daardoor ook minimaal.
De scooter.
De Znen Revival heeft een GY6 viertakt motorblok, stil en zuinig. Deze scooter is geschikt om te rijden op benzine met een octaangehalte van 95. De Revival is een compacte retroscooter, geschikt voor één persoon, of twee relatief kleine mensen. Doordat het stuur redelijk rechtop staat is de zitpositie alleszins redelijk te noemen.
De Znen Revival is leverbaar in de volgende kleuren:
- Rood / wit
- Crème / terra
- Zwart / rood
- Wit
- Crème / grijs
- Crème / groen


