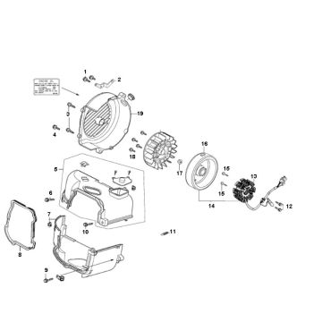
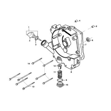
Technische tekeningen voor Berini Speedy 4-takt
Klik hier op de technische tekeningen of te wel exploded view van de Berini Speedy 4-takt scooter waar u onderdelen of accessoires voor zoekt. De technische tekeningen van de Berini Speedy 4-takt geven u een duidelijk overzicht van de verschillende passende onderdelen en accessoires. Door zo uw onderdelen te zoeken, heeft u altijd passende onderdelen voor uw Berini Speedy 4-takt.


