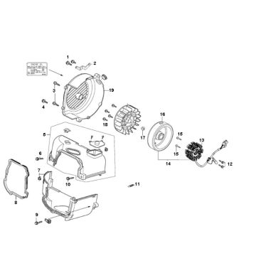
Technische tekeningen voor BTC Jet 4-takt
Klik hier op de technische tekeningen of te wel exploded view van de BTC Jet 4-takt waar u onderdelen of accessoires voor zoekt. De technische tekeningen van de BTC Jet 4-takt geven u een duidelijk overzicht van de verschillende passende onderdelen en accessoires. Door zo uw onderdelen te zoeken, heeft u altijd passende onderdelen voor uw BTC Jet 4-takt.


