Technische tekeningen voor Giantco Sprint 4-takt
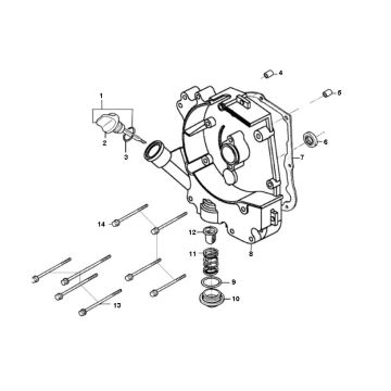
Klik hier op de technische tekeningen of te wel exploded view van de Giantco Sprint 4-takt scooter waar u onderdelen of accessoires voor zoekt. De technische tekeningen van de Giantco Sprint 4-takt geven u een duidelijk overzicht van de verschillende passende onderdelen en accessoires. Door zo uw onderdelen te zoeken, heeft u altijd passende onderdelen voor uw Giantco Sprint 4-takt.


