Technische tekeningen voor Lintex Retro HT50QT-29 donkerblauw
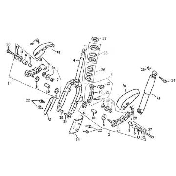
Klik hier op de technische tekeningen of te wel exploded view van de Lintex Retro HT50QT-29 donkerblauw scooter waar u onderdelen of accessoires voor zoekt. De technische tekeningen van de Lintex Retro HT50QT-29 donkerblauw geven u een duidelijk overzicht van de verschillende passende onderdelen en accessoires. Door zo uw onderdelen te zoeken, heeft u altijd passende onderdelen voor uw Lintex Retro HT50QT-29 donkerblauw.


