Technische tekeningen voor Lintex Retro HT50QT-29 zwart
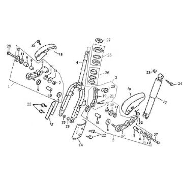
Klik hier op de technische tekeningen of te wel exploded view van de Lintex Retro HT50QT-29 zwart scooter waar u onderdelen of accessoires voor zoekt. De technische tekeningen van de Lintex Retro HT50QT-29 zwart geven u een duidelijk overzicht van de verschillende passende onderdelen en accessoires. Door zo uw onderdelen te zoeken, heeft u altijd passende onderdelen voor uw Lintex Retro HT50QT-29 zwart


