Technische tekeningen voor Rover Exclusive lichtblauw
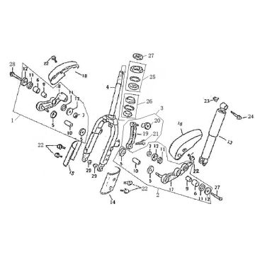
Klik hier op de technische tekeningen of te wel exploded view van de Rover Exclusive lichtblauw scooter waar u onderdelen of accessoires voor zoekt. De technische tekeningen van de Rover Exclusive lichtblauw geven u een duidelijk overzicht van de verschillende passende onderdelen en accessoires. Door zo uw onderdelen te zoeken, heeft u altijd passende onderdelen voor uw Rover Exclusive lichtblauw.


