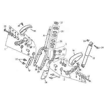
Technische tekeningen voor Rover Exclusive zwart
Klik hier op de technische tekeningen of te wel exploded view van de Rover Exclusive zwart scooter waar u onderdelen of accessoires voor zoekt. De technische tekeningen van de Rover Exclusive zwart geven u een duidelijk overzicht van de verschillende passende onderdelen en accessoires. Door zo uw onderdelen te zoeken, heeft u altijd passende onderdelen voor uw Rover Exclusive zwart.
            

