Onderdelen Vespa Primavera 125 4-takt 3V IE ABS
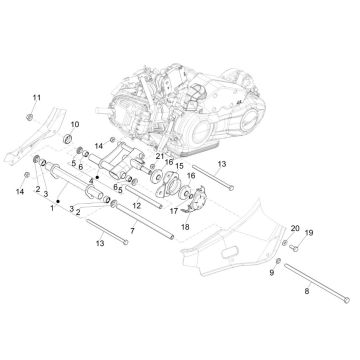
Klik hier op de technische tekeningen of te wel exploded view van de Vespa Primavera 125 4-takt 3V IE ABS 2013-2017 waar u onderdelen of accessoires voor zoekt. De technische tekeningen van de Vespa Primavera 125 4-takt 3V IE ABS 2013-2017 geven u een duidelijk overzicht van de verschillende passende onderdelen en accessoires. Door zo uw onderdelen te zoeken, heeft u altijd passende onderdelen voor uw Vespa Primavera 125 4-takt 3V IE ABS 2013-2017
De Vespa Primavera
De Vespa Primavera is razend populair! Dit komt door de betrouwbaarheid van deze scooters, gepaard met de moderne, strakke looks! De ‘’kappen’’ van de Vespa Primavera zijn deel van het frame, dat maakt deze scooters erg duurzaam en stevig. Deze scooters zien er geweldig uit met wat chromen delen of strips, dat geeft een retro uitstraling. Vespa scooters dienen natuurlijk goed onderhouden te worden, zodat de bewegende delen in topconditie blijven. De Vespa Primavera is stil, zuinig en betrouwbaar. De Primavera stuurt geweldig en het is echt een face-lift van de Vespa Lx. Het is een compleet nieuwe Vespa die nog beter stuurt en remt dan de oudere modellen. De remzuiger voor heeft er een broertje bij gekregen (betere samenwerking) en ook de vork-ophanging is nu veel beter!
Onderdelen zoeken via tekeningen
Aangezien de Vespa Primavera al een tijdje meerijdt zijn er veel onderdelen te krijgen. Vervang slijtage-gevoelige delen zo snel mogelijk. Zo heeft u er zo lang mogelijk plezier van.
Net als veel andere tweewielers wordt dit merk bromfiets ingezet voor woon-werkverkeer, de boodschappen of om gewoon lekker toeren.
Hierboven ziet u de verschillende types van de Vespa Primavera waar wij technische tekeningen van hebben. Kies eerst uw type, dan uw model en bekijk dan de tekeningen die u nodig heeft. Mocht u onverhoopt toch nog onderdelen niet kunnen vinden, dan helpen wij u graag telefonisch verder.


