Technische tekeningen voor SYM Fiddle II wit special
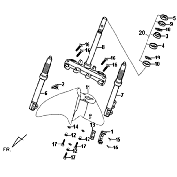
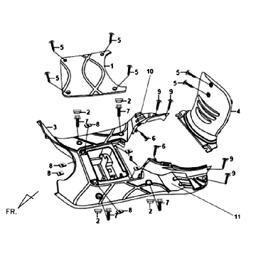
Klik hier op de technische tekeningen of te wel exploded view van de SYM Fiddle II wit special scooter waar u onderdelen of accessoires voor zoekt. De technische tekeningen van de SYM Fiddle II geven u een duidelijk overzicht van de verschillende passende onderdelen en accessoires. Door zo uw onderdelen te zoeken, heeft u altijd passende onderdelen voor uw SYM Fiddle II wit special.
De Sym Fiddle II.
De Sym Fiddle 2 is de natuurlijke opvolger van de Sym Fiddle 1. Het 4-takt motorblok van de Sym Fiddle twee is vergeleken met de eerste versie op talloze punten verbeterd. Er rijden honderdduizenden Sym Fiddle II’s. Dat heeft een reden; betrouwbaar, stil, zuinig, maar vooral ook mooi. De 4-takt motor is gewoon een topper, maar ook de zitpositie en stuureigenschappen van de Sym Fiddle II zijn super. Uiteraard worden er veel accessoires en vervangingsdelen verkocht bij Zandri voor deze populaire retro/custom scooter. We hebben zowel originele fabrieksdelen als imitatie onderdelen. Voor elk budget.
Wilt u uw Sym Fiddle 2 scooter ook restaureren of moet u simpelweg wat slijtagegevoelige onderdelen vervangen? Dat kan met onderdelen van Zandri!
Probleemloos en gemakkelijk onderdelen bestellen voor de Sym Fiddle II via technische tekeningen.
De Sym Fiddle wordt veel ingezet als woon-werk scooter. Uiteraard zijn er ook veel recreatieve rijders die kiezen voor de Fiddle, mede door zijn lange slag, krachtige, stille viertakt motorblok. U kunt hier kiezen uit diverse kleuren van de Sym Fiddle II in onze technische tekeningen. Mocht u onverhoopt het onderdeel niet kunnen vinden; contact (Mail, chat, WhatsApp, telefoon).
Originele of imitatie onderdelen voor de Sym Fiddle II.
Kapdelen zijn er alleen maar origineel voor de Sym Fiddle II. Deze zijn duur, maar de kleur en de pasvorm zijn wel top. De universele/imitatie onderdelen kun je het best zoeken via onze menustructuur of zoekbalk. De menustructuur links op de site, de zoekbalk bovenin.


